|
 |
½ÚÄܵÆÏµÁÐ >> |
|
|
DGS13/127Y(B)¿óÓøô±¬ÐÍÓ«¹âµÆ
 |
| Ò»¡¢ÊÊÓ÷¶Î§¼°ÓÃ; |
|
DGS13/127Y(B)¿óÓøô±¬ÐÍÓ«¹âµÆ£¨ÒÔϼò³Æ13WÓ«¹âµÆ£©¡£ÊÊÓÃÓÚ¾ßÓÐÍß˹¼°Ãº³¾±¬Õ¨Î£ÏյĿó¾®ÖУ¬¿É¹©³µ³¡¼°»úµçá¼ÊÒ¡¢ÖÐÐıäµçËù¡¢´óÏïÔËÊä¡¢±Ã·¿µÈ³¡Ëù¹©ÕÕÃ÷Ö®Óá£
µÆ¾ß°´GB3836-2010¡¶±¬Õ¨ÐÔÆøÌå»·¾³ÓÃµçÆøÉ豸¡·¡¢MT221-2005¡¶Ãº¿óÓ÷À±¬µÆ¾ß¡·µÈÓйرê×¼Éè¼Æ¡¢ÖÆÔìÓë¼ìÑé¡£ |
| ¶þ¡¢Ðͺż°º¬Òå |
 |
| Èý¡¢Ö÷ÒªÌØµã |
¡ñµÆ¹Ü²ÉÓÃ4U²£Á§¹Ü£¬ÓÅÖÊ´¿Ï¡ÍÁÈý»ùɫӫ¹â·ÛºÍ¶ÀÌØµÄÅä·½¹¤ÒÕ£¬¹âЧ¸ß£¬½ÚÄÜ£¬ÊÙÃü5000—8000Сʱ¡£
¡ñÓ«¹âµÆ²ÉÓõƹÜÓëµç×ÓÕòÁ÷Æ÷Ò»Ì廯Éè¼Æ¡£ÕòÁ÷Æ÷³ÐÊÜ˲ʱ¸ß·åÖµµçѹ¸ß£¬ÇÒÆô¶¯ËÙ¶È¿ìÎÞÉÁ˸¡£
¡ñ¸ô±¬Ãæ±íÃæ´¦Àí²ÉÓÃÏȽøµÄ¶Û»¯¹¤ÒÕ£¬ÄÜ·ÀÖ¹¾®Ïº¬Áò³±Êª³É·ÖÆøÌå¶Ô¿ÇÌåµÄ¸¯Ê´£¬ÄÜÕý³£¿ª¸Çά»¤¡£
¡ñµÆ¹Ü²ÉÓö¥¿ÚʽÉè¼Æ¡£²£Á§ÍâÕÖ¼°µÆ¹ÜÒâÍâÆÆËðʱ£¬¿É×Ô¶¯¶Ïµç£¬ÓÐЧ·ÀÖ¹ÓÉ´ËÒýÆðµÄÒâÍâʹʡ£
¡ñ¿ÇÌå±íÃæ¼°·À»¤Íø²ÉÓþ²µçÅçÍ¿¹¤ÒÕ´¦Àí£¬±£Ö¤µÆ¾ßÔÚ¾®Ï³±Êª¶ñÁÓ»·¾³Öеij¤ÆÚʹÓá£
¡ñµÆ¾ß½á¹¹ÉϲÉÓöÀÁ¢½ÓÏßÇ»Éè¼Æ£¬½á¹¹¸ü¼ÓºÏÀí¡¢¼òµ¥¡¢°²×°Î¬»¤·½±ã¡£ |
| ËÄ¡¢Ö÷Òª¼¼Êõ²ÎÊý |
|
²úÆ·ÐͺÅ
|
¶î¶¨¹¦ÂÊ
|
¶î¶¨µçѹ
|
ÕÕ¶È
|
ÒýÈëµçÀ¹æ¸ñ
|
ÖØÁ¿
|
|
DGS13/127Y(B)
|
13W
|
127V
|
≥10Lx
|
¡é7-13
|
2.25Kg
|
|
| Îå¡¢½á¹¹¸ÅÊö |
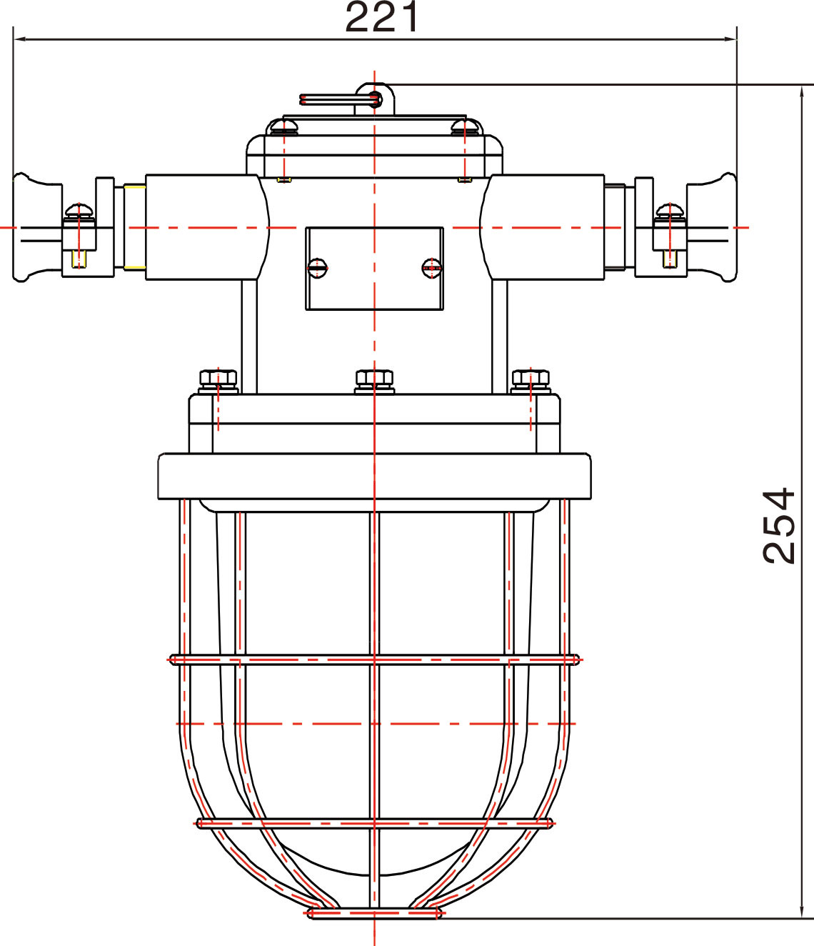
Áù¡¢ÍâÐγߴç |
| 13WÓ«¹âµÆÓÉÉϸǡ¢ÉÏ¿ÇÌ塢ϿÇÌå¡¢·À±¬Í¸Ã÷²£Á§ÕÖ¡¢½ðÊô±£»¤ÍøµÈ×é³É£¬ÉϸÇÓëÉÏ¿ÇÌåÓÃM4Âݶ¤Á¬½Ó£¬Ï¿ÇÌåÓÃM6Âݶ¤ÓëÉÏ¿ÇÌåÏàÁ¬¡£·À±¬Í¸Ã÷²£Á§ÕÖ¡¢»¤ÕÖÓÃM4Âݶ¤¹Ì¶¨ÔÚÏ¿ÇÌåÉÏ¡£ÉÏ¿ÇÌåÍâÓÐM4Íâ½ÓµØÂݶ¤¡¢ÃúÅÆµÈ£¬ÉÏ¿ÇÌåÄÚÓнÓÏß°å¡¢M4ÄÚ½ÓµØÂݶ¤¡¢Ö±¿Úʽѹ½ÓµÆÍ·¡£Ï¿ÇÄÚÓÐÃÜ·âµæ¡¢·À±¬Í¸Ã÷²£Á§ÕÖ¼°½ðÊô±£»¤Íø£¬µÆÍ·ÓëµçÔ´²ÉÓÃÖ±¿Úʽѹ½Ó·½Ê½¡£Éϸǡ¢ÉÏ¿ÇÌ塢ϿÇÌå¡¢·À±¬Í¸Ã÷²£Á§ÕÖÖ®¼ä¾ùÓзûºÏ¹æ¶¨µÄ¸ô±¬½ÓºÏÃæ¸ô±¬¡£ |
|
|
| ¡¾¸´ÖƵØÖ· ¡¿¡¾ ÊÕ²Ø ¡¿ ¡¾ ´òÓ¡ ¡¿ ¡¾ ¹Ø±Õ ¡¿ |
|
|
|